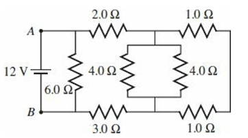
(a) Find the equivalent resistance between points A and B for the combination of resistors shown.
(b) What is the potential difference across each of the 4.0 ⦠resistors?
(c) What is the current in the 3.0 ⦠resistor?

> What particles are in the lepton family?
> A parallel plate capacitor has 10.0 cm diameter circular plates that are separated by 2.00 mm of dry air. (a) What is the maximum charge that can be on this capacitor? (b) A neoprene dielectric is placed between the plates, filling the entire region be
> (a) Write an equation for a harmonic wave with amplitude 1.20 mm, wavelength 30.0 cm, and wave speed 6.40 m/s traveling in the −x- direction. At t = 0, the point x = 0 is moving in the +y-direction at its maximum transverse speed. (b) What is the value
> 1. The main loss of heat from Earth is by (a) radiation. (b) convection. (c) conduction. (d) All three processes are significant modes of heat loss from Earth. 2. The average temperature of Earth's atmosphere is 253 K. What would be the eventual average
> Dung beetles are renowned for building large (relative to their body size) balls of dung and rolling them on the ground. (a) If a dung beetle can roll (without slipping) a ball of dung whose radius is 2.5 cm at a linear speed of 3.5 cm/s, through what a
> Rank the points in order of gravitational potential energy, from greatest to least.
> While I1 is constant, does current flow in loop 2? If so, does it flow clockwise or counterclockwise as viewed from the right? Explain.
> 1. In a mixed gas such as air, the rms speeds of different molecules are (a) independent of molecular mass. (b) proportional to molecular mass. (c) inversely proportional to molecular mass. (d) proportional to (e) inversely proportional to / . 2. The
> 11. The speed of sound in water is_____than the speed of sound in air because_____. (a) faster; water is much harder to compress (b) faster; water is much more dense (c) slower; water is much easier to compress (d) slower; water is much less dense (e) eq
> The particle moves along the path shown from b to a.
> The vertical component of the acceleration of a sailplane is zero when the air pushes up against its wings with a lift force of 3.0 kN. (a) Assuming that the only forces on the sailplane are that due to gravity and that due to the air pushing up against
> A pole-vaulter of mass 60.0 kg vaults to a height of 6.0 m before dropping to thick padding placed below to cushion her fall. (a) Find the speed with which she lands. (b) If the padding brings her to a stop in a time of 0.50 s, what is the average forc
> As in Fig. 25.41, two coherent plane waves travel toward a photographic plate, one incident normally and the other incident at angle θ0. Show that the distance between fringes of constructive interference on the plate is given by d = λ/(sin θ0).
> A sign is hanging from a single metal wire, as shown in part (a) of the drawing. The shop owner notices that the wire vibrates at a fundamental resonance frequency of 660 Hz, which irritates his customers. In an attempt to fix the problem, the shop owne
> 1. An organ pipe is closed at one end. Several standing wave patterns are sketched in the drawing. Which one is not a possible standing wave pattern for this pipe? 2. Of the standing wave patterns sketched in the drawing, which shows the lowest frequenc
> A ray of light is incident normally from air onto a glass (n = 1.50) prism as shown in the figure with Problem 24. (a) Draw all of the rays that emerge from the prism and give angles to represent their directions. (b) Repeat part (a) with the prism imme
> If you wanted to make a scale model of air at 0.0°C and 1.00 atm, using Ping-Pong balls (diameter, 3.75 cm) to represent the N2 molecules (diameter, 0.30 nm), (a) how far apart on average should the Ping-Pong balls be at any instant? (b) How far would
> The primary coil of a transformer has 250 turns; the secondary coil has 1000 turns. An alternating current is sent through the primary coil. The emf in the primary is of amplitude 16 V. What is the emf amplitude in the secondary?
> Questions 11–20. See the graph of vx(t) for an object in SHM. Answer choices for each question: (a) 1 s, 2 s, 3 s (b) 5 s, 6 s, 7 s (c) 0 s, 1 s, 7 s, 8 s (d) 3 s, 4 s, 5 s (e) 0 s, 4 s, 8 s (f) 2 s, 6 s (g) 3 s, 5 s (h) 1 s, 3 s (i) 5
> Show that the cutoff frequency for an x-ray tube is proportional to the potential difference through which the electrons are accelerated.
> In the movie The Matrix, humans are used to generate electricity. Estimate the total amount of stored electrical energy in the brain's 1011 nerve cells. Assume that the average nerve cell has a membrane with surface area 1 × 10−7 m2, thickness 8 nm, diel
> If the initial speed is 6.0 m/s and the vertical drop is 18.0 m, find the final speeds of the three rocks.
> When using a certain grating, third-order violet light of wavelength 420 nm falls at the same angle as second-order light of a different wavelength. What is that wavelength?
> Some low-cost voice recorders do not have a separate microphone. Instead, the speaker is used as a microphone when recording. Explain how this works.
> A crate is sliding down a frictionless ramp that is inclined at 35.0°. (a) If the crate is released from rest, how far does it travel down the incline in 2.50 s if it does not get to the bottom of the ramp before the time has elapsed? (b) How fast is th
> Consider the fusion reaction of a proton and a deuteron: / . (a) Identify the reaction product X. (b) The binding energy of the deuteron is about 1.1 MeV per nucleon and the binding energy of “X” is about 2.6 MeV per nucleon. Approximately how much en
> Explain how a plane mirror can be thought of as a special case of a spherical mirror. What is the focal length of a plane mirror? Does the spherical mirror equation work for plane mirrors with this choice of focal length? What is the transverse magnifica
> Two point charges are located on the x-axis: a charge of +6.0 nC at x = 0 and an unknown charge q at x = 0.50 m. No other charges are nearby. If the electric field is zero at the point x = 1.0 m, what is q?
> A jet plane is flying at 130 m/s relative to the ground. There is no wind. The engines take in 81 kg of air per second. Hot gas (burned fuel and air) is expelled from the engines at high speed. The engines provide a forward force on the plane of magnitud
> A vertical metal rod of length 36 cm moves north at constant speed 1.6 m/s in a 0.40 T magnetic field directed 27° east of north. (a) Which end of the rod has an accumulation of excess electrons? (b) What is the potential difference between the ends of
> Questions 1–4. An object is suspended vertically from an ideal spring. The spring is initially in its relaxed position. The object is then released and oscillates about the equilibrium position. Answer choices for Questions 1–4: (a) The spring is relaxed
> Why are days longer in summer than in winter?
> A bullet leaves the barrel of a rifle with a speed of 300.0 m/s. The mass of the bullet is 10.0 g. (a) What is the de Broglie wavelength of the bullet? (b) Compare λ with the diameter of a proton (about 1 fm). (c) Is it possible to observe wave propert
> In capacitive electrostimulation, electrodes are placed on opposite sides of a limb. A potential difference is applied to the electrodes, which is believed to be beneficial in treating bone defects and breaks. If the capacitance is measured to be 0.59 pF
> The time constant τ for an LR circuit must be some combination of L, R, and ℰ. (a) Write the units of each of these three quantities in terms of V, A, and s. (b) Show that the only combination that has units of seconds is L/R.
> 1. Bernoulli’s equation applies to (a) any fluid. (b) an incompressible fluid, whether viscous or not. (c) an incompressible, nonviscous fluid, whether the flow is turbulent or not. (d) an incompressible, nonviscous, nonturbulent fluid.
> 1. When both are expressed in terms of SI base units, torque has the same units as (a) angular acceleration (b) angular momentum (c) force (d) energy (e) rotational inertia (f) angular velocity 2. A heavy box is resting on the floor. You would like to p
> Multiple-Choice Questions 7–12 refer to a situation in which a golf ball is projected straight upward in the +y-direction. Ignore air resistance. The answer choices are found in the figures. 11. Which graph shows the potential energy o
> Why do roadside signs warn that bridges ice before roadways? Explain.
> The main magnet in an MRI machine is a superconducting solenoid 1.8 m long and 70 cm in diameter. During normal operation, the current through the windings is 120 A and the magnetic field magnitude is 1.5 T. (a) How many turns does the solenoid have? (
> A tetherball set has a ball with mass 0.411 kg and a nylon string with diameter 2.50 mm, Young's modulus 4.00 GPa, and density 1150 kg/m3. The nylon string has a length of 2.200 m when the ball is at rest (hanging straight down). While playing tetherball
> A charge of +2.0 mC is located at x = 0, y = 0 and a charge of −4.0 mC is located at x = 0, y = 3.0 m. What is the electric potential due to these charges at a point with coordinates x = 4.0 m, y = 0?
> You are watching a television show about Navy pilots. The narrator says that when a Navy jet takes off, it accelerates because the engines are at full throttle and because there is a catapult that propels the jet forward. You begin to wonder how much for
> An isotope of sodium, / , decays by β+ emission. Estimate the maximum possible kinetic energy of the positron by assuming that the kinetic energy of the daughter nucleus and the total energy of the neutrino emitted are both zero. [Hint: Remember to ke
> (a) Is the power detected at θ = 0 a maximum or a minimum? Explain, (b) For what values of d (in terms of λ) would the power be minimum at θ = 90°?
> A parallel plate capacitor is constructed from two square conducting plates of length L = 0.10 m on a side. There is air between the plates, which are separated by a distance d = 89 µm. The capacitor is connected to a 10.0 V battery. (a) Af
> What are the SI units of mass density and number density? If two different gases have the same number density, do they have the same mass density?
> A steel rod has length 60 cm and radius 2.2 cm. An aluminum rod has length 30 cm and radius 2.2 cm. The rods are joined end-to-end. When compressive forces of magnitude 5.4 kN are applied to the ends, by how much does the total length of the rods decreas
> Two metal spheres are separated by a distance of 1.0 cm, and a power supply maintains a constant potential difference of 900 V between them. The spheres are brought closer to each other until a spark flies between them. If the dielectric strength of dry
> Tarzan wants to swing on a vine across a river. He is standing on a ledge above the water’s edge, and the river is 5.00 m wide. The vine is attached to a tree branch that is 8.00 m directly above the opposite edge of the river. Initiall
> A current balance is a device to measure magnetic forces. It is constructed from two parallel coils, each with an average radius of 12.5 cm. The lower coil rests on a balance; it has 20 turns and carries a constant current of 4.0 A. The upper coil, suspe
> Two blocks of masses m1 and m2, resting on frictionless inclined planes, are connected by a massless rope passing over an ideal pulley. Angle φ = 45.0° and angle θ = 36.9°; mass m1 is 6.00 kg and mass m2 is 4
> Two circuits are constructed using identical, ideal batteries ( ) and identical incandescent lightbulbs (resistance = R). If each bulb in circuit 1 dissipates 5.0 W of power, how much power does each bulb in circuit 2 dissipate? Ignore changes in the res
> A vertical magnetic field is perpendicular to the horizontal plane of a wire loop. When the loop is rotated about a horizontal axis in the plane, the current induced in the loop reverses direction twice per rotation. Explain why there are two reversals f
> A grandfather clock is running too fast. To fix it, should the pendulum be lengthened or shortened? Explain.
> In a CRT (see Section 16.5), a constant electric field accelerates the electrons to high speed; then a magnetic field is used to deflect the electrons to the side. Why can't a constant magnetic field be used to speed up the electrons?
> An elevator can carry a maximum load of 1202 kg (including the mass of the elevator car). The elevator has an 801 kg counterweight that always moves with the same speed but in the opposite direction to the car. (a) What is the average power that must be
> Find the tension in the Achilles tendon and the force that the tibia exerts on the ankle joint when a person who weighs 750 N supports himself on the ball of one foot. The normal force N = 750 N pushes up on the ball of the foot on one side of the ankle
> To pass a physical fitness test, Massimo must run 1000 m at an average rate of 4.0 m/s. He runs the first 900 m in 250 s. Is it possible for Massimo to pass the test? If so, how fast must he run the last 100 m to pass the test?
> Let's examine the crossover network of Fig. 21.20 in the limiting cases of very low and very high frequencies. (a) How do the reactances of the capacitor and inductor compare for very low frequencies? (b) How do the rms currents through the tweeter and
> A spotter plane sees a school of tuna swimming at a steady 5.00 km/h northwest. The pilot informs a fishing trawler, which is just then 100.0 km due south of the fish. The trawler sails along a straight-line course and intercepts the tuna after 4.0 h. Ho
> Use this method to find how the speed with which animals of similar shape can run up a hill depends on the size of the animal. Let L represent some characteristic length, such as the height or diameter of the animal. Assume that the maximum rate at which
> In Problem 15, if the slope is not frictionless so that the skier has a final velocity of 10.0 m/s, calculate the work done by gravity, the work done by the normal force, the work done by friction, and the force of friction (assuming it is constant).
> Use Bernoulli’s equation to estimate the upward force on an airplane’s wing if the average flow speed of air is 190 m/s above the wing and 160 m/s below the wing. The density of the air is 1.3 kg/m3, and the area of each wing surface is 28 m2.
> A horizontal rope is attached from a truck to a 1400 kg car. As the truck tows the car on a horizontal straight road, the rope will break if the tension is greater than 2500 N. Ignoring friction, what is the maximum possible acceleration of the truck if
> The ratio of the tensile (or compressive) strength to the density of a material is a measure of how strong the material is “pound for pound.” (a) Compare tendon (tensile strength 80.0 MPa, density 1100 kg/m3) with steel (tensile strength 0.50 GPa, densi
> An FM radio station broadcasts at a frequency of 89.3 MHz. The power radiated from the antenna is 50.0 kW. (a) What is the energy in electron-volts of each photon radiated by the antenna? (b) How many photons per second does the antenna emit?
> The orbit of comet Halley around the Sun is a long thin ellipse. At its aphelion (point farthest from the Sun), the comet is 5.3 × 1012 m from the Sun and moves with a speed of 10.0 km/s. What is the comet’s speed at its perihelion (closest approach to t
> A grating with 5550 slits/cm has red light of 0.680 µm incident on it. The light shines through the grating onto a screen that is 5.50 m away. (a) What is the distance between adjacent slits on the grating? (b) How far from the central bright spot is th
> Natural gas is sold by volume. In the United States, the price charged is usually per cubic foot. Given the price per cubic foot, what other information would you need in order to calculate the price per mole?
> A spaceship is traveling away from Earth at 0.70c. The astronauts report home by radio every 4.0 h (by their own clocks). (a) At what interval are the reports sent to Earth, according to Earth clocks? (b) At what interval are the reports received by Ea
> Show that U = −2K for any gravitational circular orbit. [Hint: Use Newton’s second law to relate the gravitational force to the acceleration required to maintain uniform circular motion.]
> (a) Use dimensional analysis to show that the electric power output of a wind turbine is proportional to the cube of the wind speed. The relevant quantities on which the power can depend are the length L of the rotor blades, the density p of air (SI unit
> A clay roof tile of mass 2.7 kg slides down a roof inclined at 48° with respect to the horizontal. If the tile starts from rest 3.2 m from the edge of the roof and friction is negligible, how fast is it moving when it reaches the edge?
> The particle in a box model is often used to make rough estimates of energy level spacings. For a metal wire 10 cm long, treat a conduction electron as a particle confined to a one-dimensional box of length 10 cm. (a) Sketch the wave function ψ as a fun
> Water droplets in air create rainbows. Describe the physical situation that causes a rainbow. Should you look toward or away from the Sun to see a rainbow? Why is the secondary rainbow fainter than the primary rainbow?
> Repeat Problem 8 using the component (algebraic) method.
> Vector / has magnitude 7.1 and direction 14° below the +x-axis. Vector/ has x-component Cx = −1.8 and y-component Cy = −6.7. Compute: (a) the x- and y-components of /; (b) the magnitude and direction of / ; (c) the magnitude and direction of / ; (d
> A helicopter of mass M is lowering a truck of mass m onto the deck of a ship. (a) At first, the helicopter and the truck move downward together (the length of the cable doesn’t change). If their downward speed is decreasing at a rate of 0.10g, what is t
> Superman is standing 120 m horizontally away from Lois Lane. A villain drops a rock from 4.0 m directly above Lois. (a) If Superman is to intervene and catch the rock just before it hits Lois, what should be his minimum constant acceleration? (b) How f
> A parallel plate capacitor has a charge of 0.020 µC on each plate with a potential difference of 240 V. The parallel plates are separated by 0.40 mm of bakelite. What is the capacitance of this capacitor?
> In the Bohr model of the hydrogen atom, an electron moves in a circular orbit around a stationary proton. In its lowest-energy state (the ground state), the orbital radius is 0.0529 nm. (a) What are the electric forces on the electron and on the proton?
> A copper wire of length 3.0 m is observed to stretch by 2.1 mm when a weight of 120 N is hung from one end. (a) What is the diameter of the wire and what is the tensile stress in the wire? (b) If the tensile strength of copper is 400 MPa, what is the m
> The graph shows the tension in a rubber band as it is first stretched and then allowed to contract. As you stretch a rubber band, the tension at a particular length (on the way to a maximum stretch) is larger than the tension at that same length as you l
> In a color TV tube, electrons are accelerated through a potential difference of 20.0 kV. Some of the electrons strike the metal mask (instead of the phosphor dots behind holes in the mask), causing x- rays to be emitted. What is the smallest wavelength o
> If the electric field between plates (A) is 1.0 × 103 N/C in the +x- direction, what is the horizontal deflection (Δx) of the beam as it exits the region between plates (A)?
> By what factor is the momentum of a particle moving at 0.60c greater than the momentum of the same particle moving at 0.30c?
> Object A has mass 90.0 g and hangs from an insulated thread. When object B, which has a charge of +130 nC, is held nearby, A is attracted to it. In equilibrium, A hangs at an angle θ = 7.20° with respect to the vertical and is 5.00 cm to the left of B.
> Two springs with equal spring constants k are connected first in series (one after the other) and then in parallel (side by side) with an object hanging from the bottom of the combination. What is the effective spring constant of the two different arrang
> Vector / is directed along the positive y-axis is directed along the negative x-axis and has magnitude 1.0 unit. (a) What are the magnitude and direction of / ? (b) What are the x- and y-components of/ ?
> Many brass instruments have valves that increase the total length of the pipe from mouthpiece to bell. When a valve is depressed, is the fundamental frequency raised or lowered? What happens to the pitch?
> Electrons in an old television's CRT (see Sec. 16.5) are accelerated from rest by an electric field through a potential difference of 2.5 kV. In contrast to an oscilloscope, where the electron beam is deflected by an electric field, the beam is deflected
> A spring used in an introductory physics laboratory stores 10.0 J of elastic potential energy when it is compressed 0.20 m. Suppose the spring is cut in half. When one of the halves is compressed by 0.20 m, how much potential energy is stored in it? [Hin
> Two tuning forks, A and B, excite the next-to-lowest resonant frequency in two air columns of the same length, but A's column is closed at one end and B's column is open at both ends. What is the ratio of A's frequency to B's frequency?
> Your friend needs advice on her newest “acoustic sculpture.” She attaches one end of a steel wire, of diameter 4.00 mm and density 7860 kg/m3, to a wall. After passing over a pulley, located 1.00 m from the wall, the other end of the wire is attached to
> A circular loop of wire can be used as an antenna to sense the changing magnetic fields in an electromagnetic wave (such as a radio transmission). What is the advantage of using a coil with many turns rather than a single loop?
> When a block is suspended from a vertically hanging spring, it stretches the spring from its original length of 4.5 cm to a total length of 6.0 cm. The spring with the same block attached is then placed on a horizontal frictionless surface. The block is
> A lead rod and a common glass rod both have the same length when at 20.0°C. The lead rod is heated to 50.0°C. To what temperature must the glass rod be heated so that they are again at the same length?
> The fundamental frequency of the highest note on the piano is 4.186 kHz. Most musical instruments do not go that high; only a few singers can produce sounds with fundamental frequencies higher than around 1 kHz. Yet a good-quality stereo system must repr
> Six copper wires are characterized by their dimensions and by the current they carry. Rank the wires in order of decreasing drift velocity. (a) diameter 2 mm, length 2 m, current 80 mA (b) diameter 1 mm, length 1 m, current 80 mA (c) diameter 4 mm, lengt